Description
This item qualifies for free ground shipping within the continental USA only
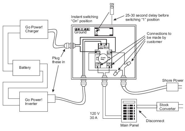
Some inverter installations integrate the inverter directly into the AC electrical system. An automatic transfer switch is usually installed to allow both your inverter and shore power to alternatively feed the circuits and prevent AC back feed. The Go Power!™ TS-30 is a 30 amp AC switch that automatically connects shore power (when available) to your breaker panel. When unplugged from power, it then connects your inverter output to power your circuits.
- Can handle 2 sources of 30 amps at one time
- Made for use with Power Inverters, Shore power or Generators
- Delay Switch for use with generators
- Comes with knockouts for easy and professional installation
- Single relay
- 1 Year Warranty
- Made in the USA







Reviews
There are no reviews yet.